Auspflasterbare Schachtdeckel aus feuerverzinktem Material. Optimal geeignet um eine Revisionsöffnung in Pflasterflächen zu schaffen. Der Schachtdeckel ist 2-teilig bestehend aus dem Rahmen und dem herausnehmbaren Deckel. Das Pflaster wird hier in dem Deckel verlegt. Einfach und effezient in der Montage sind diese Variationen der auspflasterbaren Schachtdeckel.
- auspflasterbarer Schachtdeckel
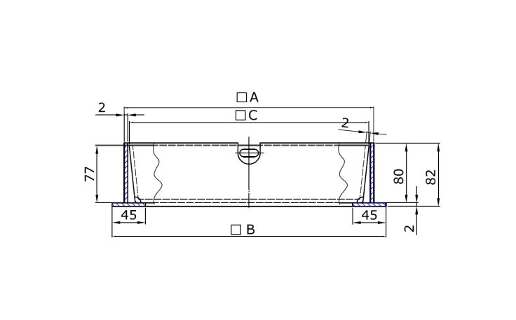
- Außenmaß Rahmen: 33 x 33cm
- Bauhöhe: 8,2cm
- Innenmaß Oberkante: konisch oben 29,5 x 29,5 cm
- Innenmaß Unterkante: konisch unten 28 x 28 cm
- Befestigung des Rahmens durch Dübeln
- mit Griffmulden um den Deckel herausnehmen zu können
- Pflastersteine bis 8cm können eingesetzt werden
- Dieser Schachtdeckel ist 2-teilig. Der Rahmen und die Wanne
Produktvideo auspflasterbarer Schachtdeckel
SEO: pflasterbarer Schachtdeckel, auspflasterbarer Schachtdeckel, schachtabdeckung pflasterbar, schachtabdeckung auspflasterbar Preis, pflasterbarer Revisionsdeckel, Schachtabdeckung bepflasterbar