Auspflasterbare Schachtdeckel 60 x 60cm aus feuerverzinktem Material. Optimal geeignet um eine Revisionsöffnung in Pflasterflächen zu schaffen. Der Schachtdeckel ist 2-teilig bestehend aus dem Rahmen und dem herausnehmbaren Deckel. Das Pflaster wird hier in dem Deckel verlegt. Einfach und effizient in der Montage sind diese Variationen der pflasterbaren Schachtdeckel.
- auspflasterbarer Schachtdeckel
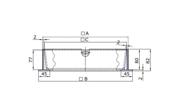
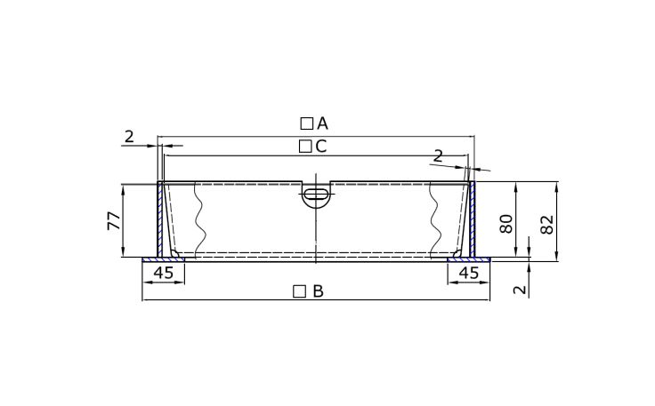
- Außenmaß Rahmen: 63 x 63cm
- Bauhöhe: 8,2cm
- Innenmaß Oberkante: konisch oben 59,5 x 59,5 cm
- Innenmaß Unterkante: konisch unten 58 x 58 cm
- Befestigung des Rahmens durch Dübeln
- mit Griffmulden um den Deckel herausnehmen zu können
- Pflastersteine bis 8cm können eingesetzt werden
- Dieser Schachtdeckel ist 2-teilig. Der Rahmen und die Wanne
Produktvideo Schachtabdeckung 60 x 60 pflasterbar
SEO: pflasterbarer Schachtdeckel, auspflasterbarer Schachtdeckel, schachtabdeckung pflasterbar, schachtabdeckung auspflasterbar Preis, pflasterbarer Revisionsdeckel, Schachtabdeckung bepflasterbar